In the beer production process, the carbon dioxide (CO2) produced in the fermentation tank is processed by equipment such as demister, scrubber, compressor, air dryer, adsorber, dryer, reboiler, purification tower and condenser, and finally liquefied into high-purity CO2 for production use. Although the traditional CO2 recovery system can meet basic production needs, it has major defects in energy consumption, recovery efficiency and equipment stability. This article analyzes the shortcomings of the traditional system, proposes an energy-saving technology transformation plan, and verifies the transformation effect through actual cases.
1. Disadvantages of traditional CO2 recovery system
1.1 Defects of cold dryer
The traditional CO2 recovery system uses a refrigeration dryer. It is based on the principle of air freeze drying, using refrigeration equipment to cool CO2 to a certain dew point temperature, precipitate the corresponding water content, and discharge it through the drain valve to obtain dry CO2 gas.

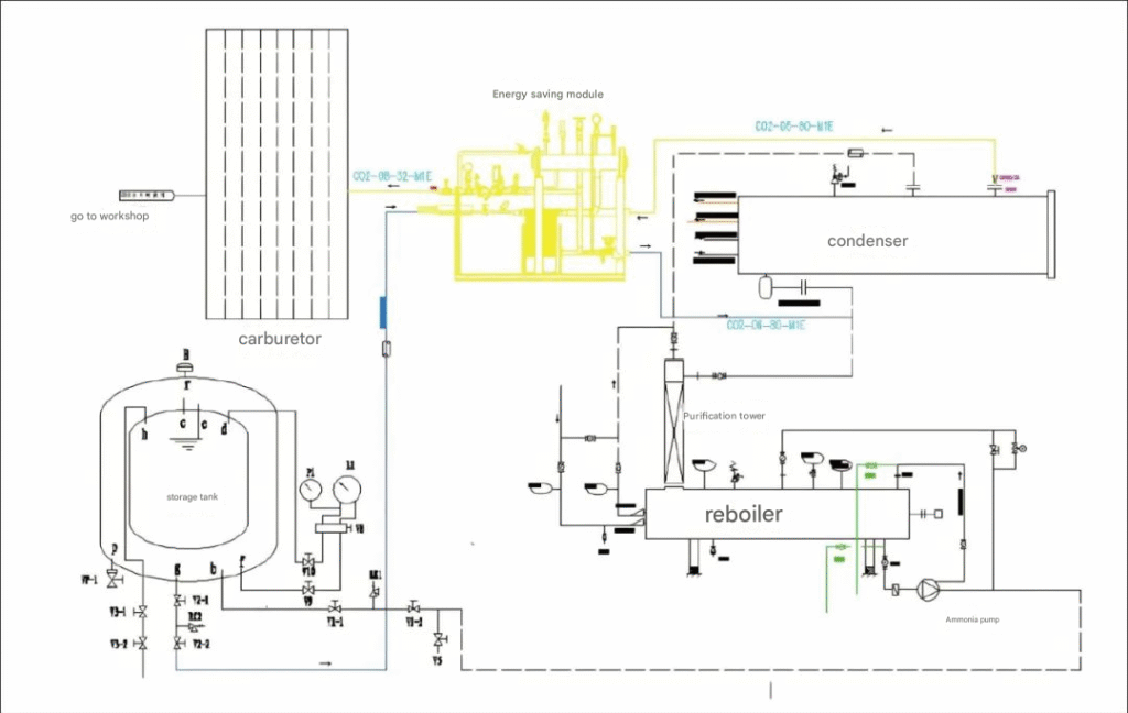
CO2 recovery system
However, traditional cold dryer technology has been eliminated, and there are problems such as ice blockage in the purification reboiler and high water content in the gas. In addition, the equipment has high power, which increases electricity consumption.
1.2 Defects of heat exchange system
When the workshop needs to use CO2, the liquid CO2 in the storage tank is passed through a traditional vaporizer for heat exchange and decompression before being supplied to the workshop. Liquid CO2 is a high-quality refrigerant, and each ton of liquid carbon dioxide can provide nearly 90kW of cooling capacity. Traditional recovery equipment directly passes through the vaporizer, and the cooling capacity after evaporation is only used for the circulating water system, which is the most uneconomical . CO2 is a high-quality cold source, and the benefits obtained are greatly reduced. Without an energy-saving module, the large amount of energy contained in CO2 cannot be utilized, resulting in a waste of high-quality energy. The externally supplied CO2 energy cannot be utilized, resulting in high energy consumption in the recovery system.

Flow chart of freeze dryer
2 Energy-saving technical transformation of CO2 recovery system
2.1 Upgrading and transformation of cold dryer
The cold dryer is transformed into a new type of carbon dioxide gas pre-cooler, which consists of a gas-liquid separation system, an automatic temperature control system for controlling the flow of refrigerant, an automatic drainage detection and control system for the gas-liquid separator, and a gas cooler.

Cold dryer
The precooler does not add new cooling load. It adopts the design of pre-cooling and the reboiler provides cooling. When the predetermined process conditions are met, the heat required by the reboiler is changed from electric heating to heat provided by the precooler, thereby achieving thermal balance, reducing the consumption of electric power, and achieving the functions of heat exchange, cooling and reboiling.
2.2 Energy-saving transformation of heat exchange system
An energy-saving module is installed at the outlet of the storage tank and the evaporator. The module adopts a highly efficient full liquid design mode and is a cylindrical plate and shell heat exchanger. The configuration consists of continuous liquid level detection, gas-liquid separator, carbon dioxide evaporation and condensation system, automatic temperature control, anti-icing design device, liquid level and temperature alarm function, automatic drainage detection and control system of gas-liquid separator, etc.

Heat exchange flow chart
The energy-saving module releases the energy of the externally supplied liquid CO2 by depressurizing it, and exchanges heat with the gas from adsorption drying. While vaporizing the externally supplied liquid CO2, it also realizes the liquefaction of the gas recovered by adsorption drying, reducing the energy consumption required for refrigeration. The system design shares a non-condensable gas exhaust port with the original evaporative condenser, and uses the system’s own cooling capacity to cool the CO2 gas. No external refrigerant is required, and the entire operation process has zero energy consumption. It is a very practical energy-saving device.

Precooler flow chart

Energy saving module flow chart
(Cr. BREW&BEVERAGE TECHNOLOGY EQUIPMENT)




